2783707458 单先生
产品介绍 您的当前位置:首页 > 新闻中心
常用光敏电阻应用实例
    常用的光敏电阻是硫化镉光敏电阻器,它是由半导体材料制成的。光敏电阻器的阻值随入射光线(可见光)的强弱变化而变化,在黑暗条件下,它的阻值(暗阻)可达1~10MΩ;在强光条件(100lx)下,它的阻值(亮阻)仅有几百至数千欧。光敏电阻对光的敏感性(即光谱特性)与人眼对可见光(0.4~0.76μm)的响应很接近,只要人眼可感受的光,都会引起它的阻值变化。但是,光敏电阻的光电流与光照度之间的关系是非线性关系,因此光电阻常用做开关式光电传感器。当入射光很强或很弱时,光敏电阻的光电流与光照之间会呈现非线性关系。其他照度区域近似呈线性关系。
光敏电阻光电特性图光敏电阻特性
图1为光敏电阻光电特性图
图2为光敏电阻制作光电开光图
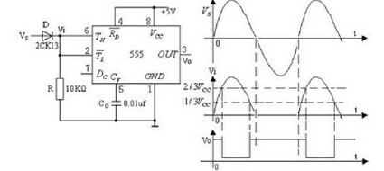
图3为光敏电阻波形图
返回