2783707458 单先生
产品介绍 您的当前位置:首页 > 新闻中心
光敏电阻光控开关电路
    光敏电阻一般广泛应用于各种光控电路,监控灯板,玩具控制等,如对灯光的控制、调节等场合,也可用于光控开关,下面给出几个典型应用电路。
 
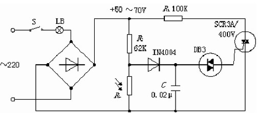
    1、光敏电阻调光电路 
    图中是一种典型的光控调光电路,其工作原理是:当周围光线变弱时引起光敏电阻RG的阻值增加,使加在电容C上的分压上升,进而使可控硅的导通角增大,达到增大照明灯两端电压的目的。反之,若周围的光线变亮,则RG的阻值下降,导致可控硅的导通角变小,照明灯两端电压也同时下降,使灯光变暗,从而实现对灯光照度的控制。
光敏电阻调光电路
    2、光敏电阻式光控开关
    以光敏电阻为核心元件的带继电器控制输出的光控开关电路有许多形式,如自锁亮激发、暗激发及精密亮激发、暗激发等等,下面给出几种典型电路。图中是一种简单的暗激发继电器开关电路。其工作原理是:当照度下降到设置值时由于光敏电阻阻值上升激发VT1导通,VT2的激励电流使继电器工作,常开触点闭合,常闭触点断开,实现对外电路的控制。
光敏电阻式开关电路
    3、简单的暗激发光控开关
    图中是一种精密的暗激发时滞继电器开关电路。其工作原理是:当照度下降到设置值时由于光敏电阻阻值上升使运放IC的反相端电位升高,其输出激发VT导通,VT的激励电流使继电器工作,常开触点闭合,常闭触点断开,实现对外电路的控制。
光敏电阻暗激发光控开关

返回